當前位置:
首頁
>
政務公開
>
財政預決算公開
>
財政惠民惠農資金
>
財政惠民惠農資金
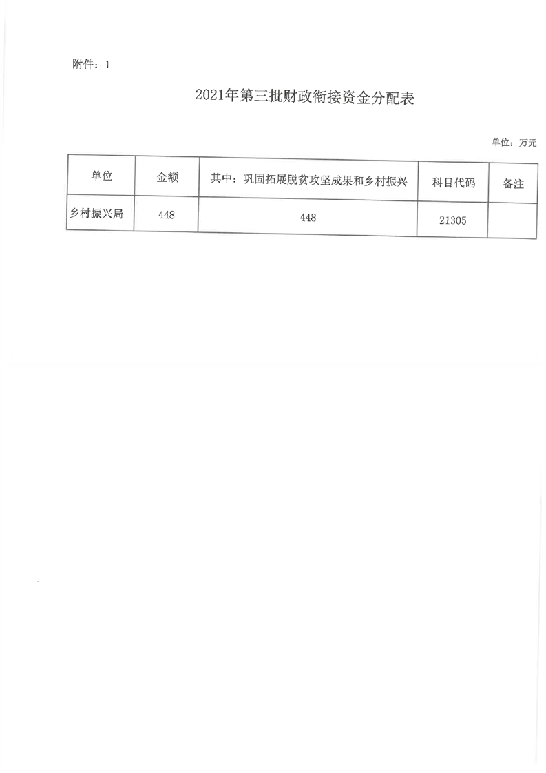
嶽陽縣財政局2021年關於下達第三批財政銜接推進鄉村振興資金及績效目標批複公開公示
來源:縣財政局
2021-09-08
瀏覽量:
1
|
|
|
|