當前位置:
首頁
>
專題專欄
>
嶽陽縣信用信息發布平台
>
信用預警
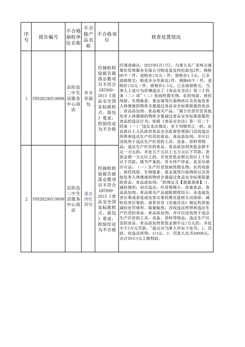
核查處置信息公示(8月9日)
來源:嶽陽縣市場監督管理局 發布時間:2023-08-09 15:06 瀏覽次數:
1
次