當前位置:
首頁
>
專題專欄
>
政府網站工作年度報表
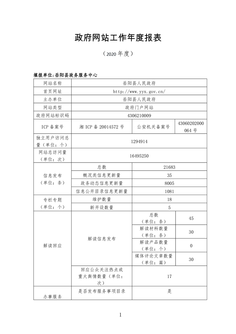
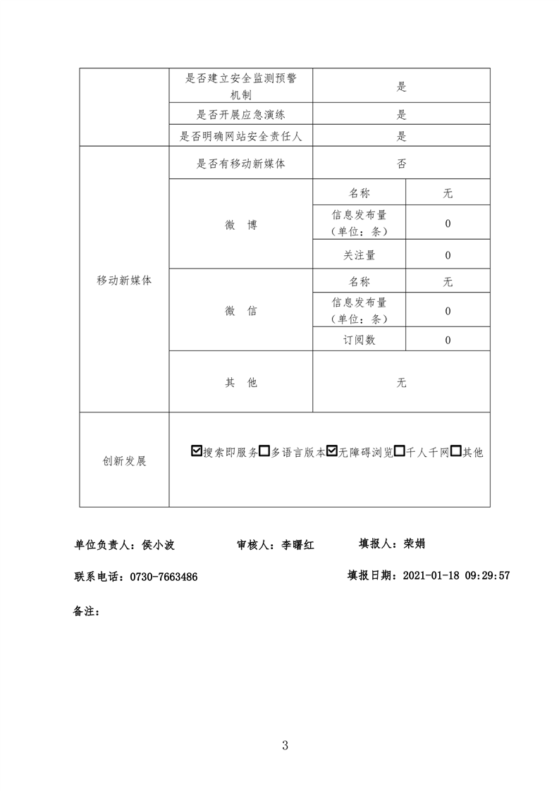
2020年度嶽陽縣政府網站工作年度報表
來源:嶽陽縣政務服務中心
2021-01-18
瀏覽量:
1
|
|
|
|