當前位置:
首頁
>
專題專欄
>
政府網站工作年度報表
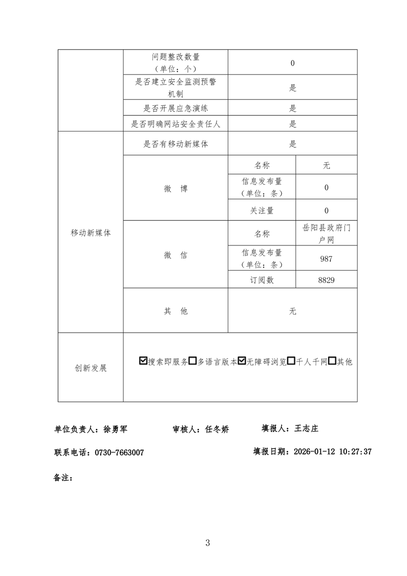
2025年度嶽陽縣政府網站工作年度報表
來源:嶽陽縣政府門戶網
2026-01-12
瀏覽量:
1
|
|
|
|
|